LDA型电动单梁桥式起重机是LD型电动单梁起重机的根基上开展改善,按规范JB/T1306-1994设计方案生产制造,可与CDI型电葫芦、MDI型电动葫芦配套设施应用,是一种有轨运作的轻小型吊车。具备尺寸紧密、工程建筑静空相对高度低、自身重量轻、轮压小等优势。
LDA型电动单梁桥式起重机配有路面、控制室、遥控器三种操作方式,控制室又配有内孔及侧边打开门二种方式,以供消费者挑选应用。

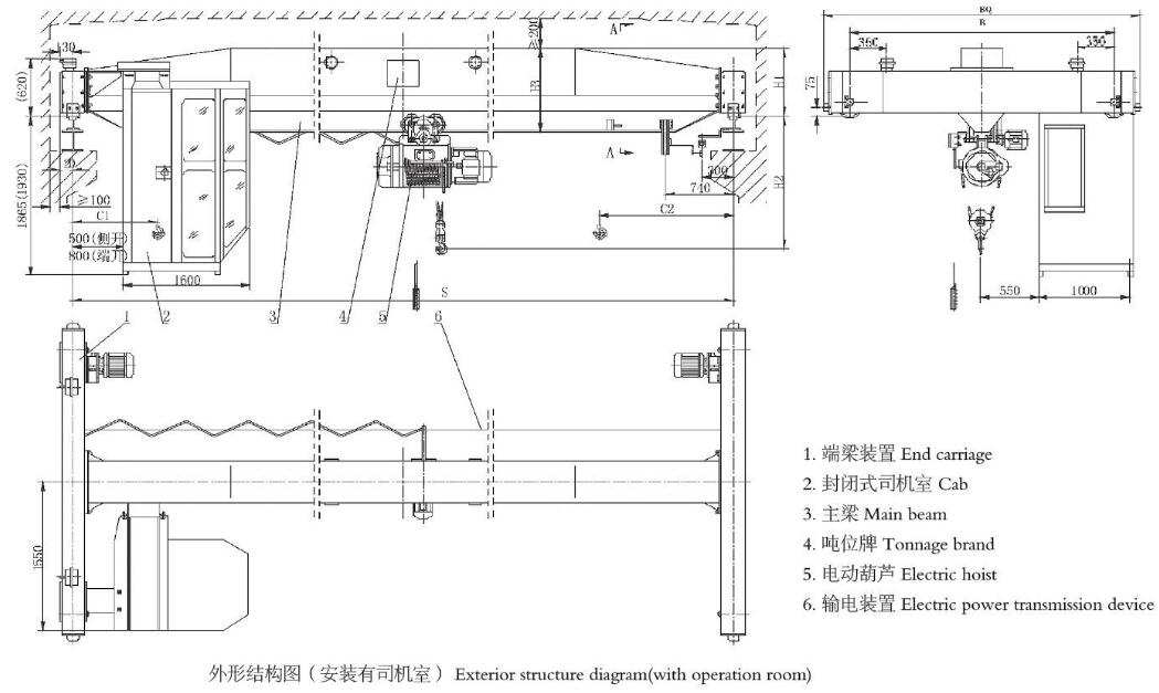
1、电动单梁桥式起重机四大一部分分法:
自动控制系统:大车控制柜、电葫芦胡芦控制柜、控制设备、限位开关、电缆
起重设备升降机构:走动电动机、减速机、车轱辘组
电葫芦:胡芦运作小车、起重吊装(运作)电动机、减速器、卷筒组、镀锌钢丝绳、吊钩组
钢构工程电缆桥架:承重梁、端梁、挑线设备
2、电动单梁桥式起重机五绝大多数分法:
承重梁、端梁、大车运作组织、电葫芦、电气控制系统
本起重设备为一般主要用途起重设备,具备构造合理,整体刚度强的特性。广泛运用于机械设备制造生产车间、冶金工业生产车间、原油、石油化工、海港、铁路线、民用航空、发电厂、造纸工业、装饰建材、电子器件等领域的生产车间、库房、石料场等运用頻率低或额定值吊重吊装频次少的场地。


相关推荐