1、地锚按下表进行设置:
| 支腿 | 地锚设置形式 | 钢丝绳规格 | 地锚重量(t) | 地锚参考尺寸(m) |
| 刚性支腿 | 预埋地锚 | Φ26mm×4条 | ≧7.63×4个 | 1*2*0.68 |
| 柔性支腿 | 预埋地锚 | Φ26mm×4条 | ≧7.63×4个 | 1*2*0.68 |

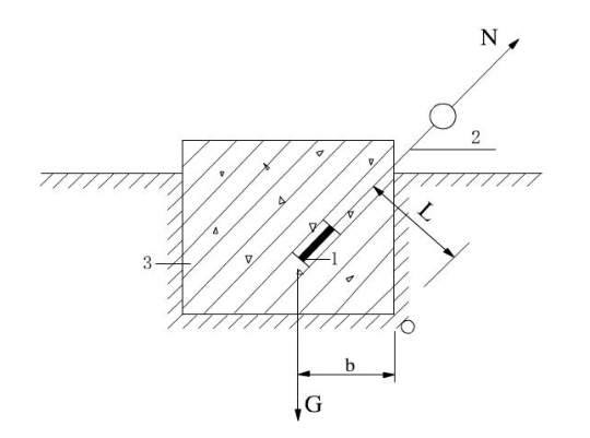
根据JGJ276-2012《建筑施工起重吊装**技术规范》,D.0.8混凝土地锚的抗倾覆计算公式KNL≤Ga可知:
G≥KNL/a
式中:G-砼地锚自重:
N-地锚的作用荷载;龙门起重机符合实验
K-抗倾覆**系数,取1.5;
L-N载荷*O点的垂直距离m;
砼自重G*O点的垂直距离,取1m。
?、俑招灾仍ぢ竦孛樗?/span>
刚性支腿外侧地锚**验算:
钢丝绳拉力:单根缆风绳承受倾覆力矩F=7.8t=78kN,地锚与地面夹角约47.16o,地锚埋地深取1m,宽取2m,L取0.68m。
G≥1.5×78×0.68÷1
G≥79.56kN
由此可得出:单个地锚的重量为79.56÷9.8=8.1t。龙门起重机施工机械吊运作业**技术措施
下面进行地锚抗拔力验算:
钢丝绳拉力:78kN
地锚受向上拉力计算:
缆风绳对地锚垂直向上拉力为:FY=F×sin47.16
=78×sin47.16o=57.19kN
**系数K取2
根据计算公式G≧KFY/9.8得:G≧11.67t
经计算支腿外侧地锚重量只要>11.67t,可满足抗拔力要求,故设置地锚两块(重约15t)。
侧向土强度计算:
根据JGJ276-2012《建筑施工起重吊装**技术规范》 ,D.0.8-2侧向土强度计算公式N1/bH<ηfH
式中:N1-地锚所受水平力;
b-地锚砼侧向的长度,取2m;
H-地锚埋深,取1m;
η-降低系数,取0.45;
fH-深度H处土的承载力设计值,取70Kpa。
则:N1=78×cos47.16 o=53.03KN
N1/bH=53.03/(2×1)=26.51KN/m2=26.51Kpa
ηfH=0.45×70=31.5Kpa
N1/bH<ηfH
经验算侧向土强度符合要求。
注:sin47.16°、cos47.16°、sin49.67°、cos49.67°为拉缆风绳与水平面角度。
以上就是关于预制场龙门吊起重机地锚受力计算的相关内容,如果想要了解更多相关内容,请持续关注我们。