广佛喝茶资源,一线天同城平台,上海喝茶外卖微信wx,全国少女空降200全国空降少女app

您好,欢迎进入河南省中原奥起实业有限公司官方网站!

与时俱进,诚赢客户

龙门吊、提梁机、门式起重机生产厂家

服务电话:13782575673

起重机产品问答

您现在所在位置:首页>>起重资讯>>起重机产品问答

传统桥式起重机的特点

本文链接:http://www.ftbamj.cn/cjwt/494.html???发布时间:2021-02-24 01:18:13??点击量:1846

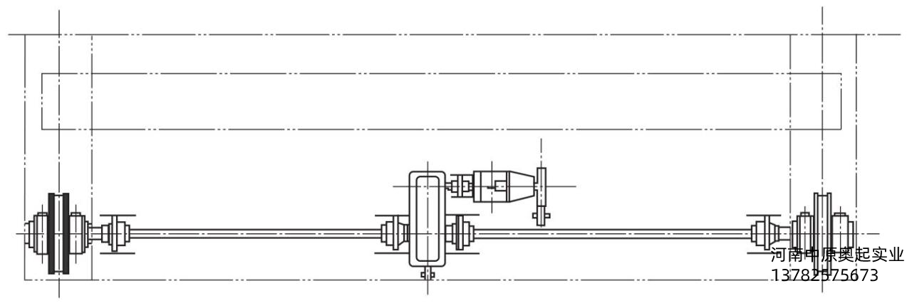
  传统桥式起重机由桥架(图1-1)、大车运行机构(图1-2)、小车总成(图1-3)、电器四部分构成。这些部件和机构都有一个显著特点,平面布置,机构松散,所占空间较大,结构笨重,所有机构的零部件都有独立专用的支座支承,外表难看。

图1-1传统桥式起重机桥架
图1-1传统桥式起重机桥架

图1-2传统桥式起重机大车运行机构
图1-2传统桥式起重机大车运行机构

图1-3传统桥式起重机小车

  传统桥式起重机的桥架结构设计较复杂,制造工艺简单。主梁主要采用中轨箱形梁结构,只有对大吨位的起重机才采用全偏轨或半偏轨箱形梁结构,小车的有效轨距相对变小,对于大起升高度和大吨位的起重机,会增加小车自重,小车轨道采用专用钢轨,一般采用压板固定焊接在主梁的上盖板上。把端梁插入主梁两头的上下盖板之间,烧焊连接,使端梁和主梁成为一个整体刚性结构,承受较大的弯矩和剪力。端梁不仅承受桥架的自重和*大起重量引起的垂直剪压力作用,还始终承受向主梁跨中方向的力偶作用,这个力偶通过主梁的垂直下挠平衡,使端梁上的车轮始终有向主梁跨中方向偏斜的侧向力,大车车轮增加了走偏、擦轨的可能性,容易出现大车运行歪斜和大车车轮啃轨现象。

  大车运行机构一般采用集中驱动和分别驱动的方式布置(图1-4和图1-2)。集中驱动是老的驱动型式,现在一般不再采用;分别驱动有对边驱动和四角驱动。无论是集中驱动还是分别驱动都非常占据空间,机构组装精度低,不便于运输和组装,是一种较为笨重的机构形式。

图1-4大车集中驱动
图1-4大车集中驱动

  大车运行机构(分别驱动)部件都由独立的支座焊接在桥架的走台上,分离式的YZR绕线式电机通过半齿联轴器、浮动轴、制动器、软齿面卧式减速器(或中硬齿面的减速器)驱动带有角型轴承箱的主动车轮组。由于浮动轴较长,往往因桥架的负载变形产生振动而影响大车的传动,严重的情形还产生较大的噪声。固定支承车轮的角型轴承箱组装精度低,结构非常简陋,使用寿命相对较短。

  传统桥式起重机小车的一个显著特点,小车各传动部件都有独立的专用支座支承而造成超静定结构布置,传动精度和传动效率低,构造笨重。将起升机构和运行机构的零部件平面布置在板状结构的小车架上,结构受力复杂,车轮四角受力极不均衡,经常使主动轮压接近被动轮压的几倍,导致起升机构松散,所占体积大,整体高度较高。结构和机构不能充分利用,材料浪费非常严重,加工制造复杂,组装精度低、结构变形严重、小车重量较重,间接地增大主梁的结构重量。

  起升机构由分离式的YZR绕线式电机通过半齿联轴器、浮动轴、制动器、软齿面卧式减速器(或中硬齿面的减速器)来驱动卷筒组。卷筒通过钢丝绳绕入吊钩组的动滑轮,上穿到固定滑轮组的定滑轮,再下绕到吊钩组的动滑轮后(根据倍率决定上下来回次数),绕回卷筒形成一个缠绕闭环。对慢速大吨位起重机,减速器传动比相对校大,只能采用开式齿传动,所占空间更大,而且漏油的毛病难以克服。制动器采用轮式制动器,组装精度低,制动轮易磨损,一般都通过较长的浮动轴和电机连接来减小工作时的偏心转动。

  卷筒组一般和减速器采用齿轮盘接手连接,组装间隙大,装配精度低,传动效率低。固定滑轮组由一排滑轮分布在定滑轮轴上,滑轮轴平行于卷筒轴,对大吨位起重机,其滑轮数量较多,起升机构效率降低,电机功率变相增大,固定滑轮组的宽度特别大,所占空间增大,也导致起升机构较宽,小车轨距增大。

  对传统桥式起重机总结归纳,有以下特点。

  (1)机构零部件质量较差,外型笨重、粗糙,加工精度低,因价格太低,热处理质量难以保证,成本提高,外表难看。

  (2)小车呈平面布置,起升机构分散布置在小车架的平面上,小车轮压不均,因结构本身导致车轮*大轮压较大,而非人为设计较大,设计车轮直径也较大。

  (3)起升机构的零部件是单个独立的元器件,有专用的座子焊在小车架平面上,组装误差较大。

  (4)大车端梁是刚性端梁,和主梁焊成一体,承受弯矩和剪应力,受力复杂,大车轮压不均,*大轮压较大,车轮直径较大。

  (5)桥架组装拆开后,在现场安装往往难达到安装要求,结构变形严重,修复时易损伤桥架表面油漆,从组装到用户现场安装都有火工作业,起重机的外观形象很差。

  (6)大车轨道面*小车*高点距离较大,厂房土建成本较大。

  (7)小车主副吊钩中心线*大车轨道中心线的极限距离较大,有效作业空间面域较小。

  (8)小车架设计计算复杂,浪费材料较多。

  (9)整车运输不便,常常超宽超高。

  文章来源:http://www.ftbamj.cn/cjwt/494.html

文章聚合页面: 桥式起重机

联系我们

CONTACT US

联系人:徐经理

手机:13782575673

电话:0373-8611375

邮箱:hnzyaqqz@126.com

官网:www.ftbamj.cn

地址:河南长垣起重工业园区华豫大道中段